Välimine ahi 45 kW
Kuumakse al. €31.27 / 60 kuud
€990.00
Maksa hiljem ärikliendina. Kiire taotlus, soodne tehingutasu. 
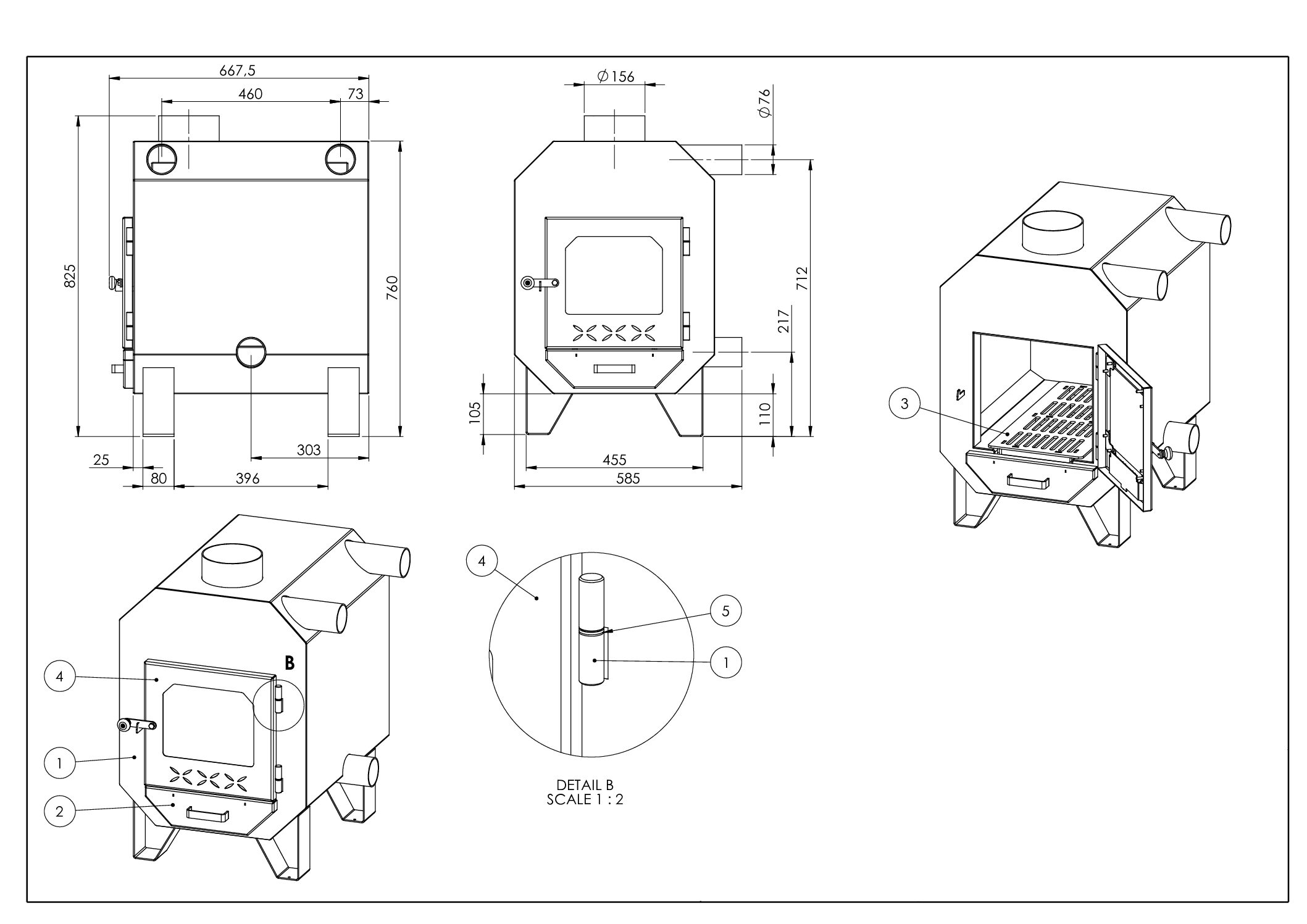
Välimine ahi 45 kW (paremvool või vasakvool)
- mõõdud 600 x 515 x 650 mm
- koldeosa sügavus 540 mm
- võimsus 45 kW
- klaasuks
- värvitud kere
- mustaks värvitud alumiiniumist esipaneel ja uks, eraldi tuhasahtel.
- roostevabast terasest ümarmütsiga moodulkorsten, mis on 2 meetri kõrgune (Ø 150mm)
- torude, voolikute ja klambrite ühenduskomplekt
- Kirjeldus
- Lisainfo
Kirjeldus
Ahjud on valmistatud kõrgekvaliteedilisest merealumiiniumist.
Alumiiniumahju eeliseks on parem soojusjuhtivus, mille tulemusena hoiate tunduvalt kokku aega ja küttematerjali.
Alumiiniumi soojusjuhtivus on ca 15 korda parem võrreldes roostevaba terase soojusjuhtivusega. Tünni kütmiseks kuluv aeg ja küttepuude kulu on alumiiniumist ahju puhul ca 30% väiksem.
Alumiiniumahjudel on pikem eluiga kui roostevabast terasest ahjudel.
Kasutatava materjali paksus on 3 mm, mis on kaks korda suurem kui tavapärastel roostevabast terasest ahjudel. Ometi on alumiiniumahi 30% kergem.
Meie poolt pakutavad alumiiniumahjud hoiavad oma kuju pikaajaliselt.
Kõrge kvaliteediline MIG keevitus tagab korrektse visuaalse väljanägemise. Kõikide keevisõmbluste hermeetilisus on kontrollitud ja testitud.
Lisainfo
| Veame | |
|---|---|
| Lao asukoht | |
| Garantii | |
| Kohale toimetamine | 49€ mandri Eestis, Hiiu- ja Saaremaale 80€, Soome alates 160€ |
| Tellimisaeg |























